Wkładka GERDA 35/45 mosiądz
Wystaw opinię o produkcie
Ceny podane bez kosztów dostawy.
Ceny podane bez kosztów dostawy.
Koszty dostawy wybranego produktu
-
InPost Kurier 17,00 zł
-
DPD Kurier 17,00 zł
-
InPost Paczkomaty 24/7 15,00 zł
-
DPD Pickup 13,00 zł
-
Odbiór osobisty Darmowa
Cena dostawy dotyczy tego produktu (w wybranym wariancie - jeśli dotyczy). Może się ona zmienić po dodaniu innych produktów do koszyka.
Zapytaj o produkt
Administratorem danych osobowych jest ALURIGHT WIKTOR MOSUR. Przetwarzamy je w celu przesłania odpowiedzi na zapytanie. Więcej informacji dotyczących przetwarzania danych osobowych znajduje się w polityce prywatności.
Kod produktu: WK6021
Opis
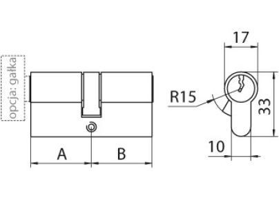
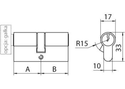
Jak zmierzyć wkładkę?
Wkładki tylko z pozoru są takie same. Różnią się przede wszystkim rozmiarem. Wkładka o źle dobranej długości nie będzie pasowała. Zanim zabierzesz się za wymianę, zmierz dotychczasową wkładkę i ustal jakiego rozmiaru wkładki potrzebujesz. Możesz to zrobić nawet przed wyjęciem jej z zamka. Otwórz drzwi i przykładaj miarkę z boku skrzydła.
Potrzebne będą 3 pomiary. Zanotuj je w milimetrach. Jeśli wykonasz je prawidłowo to wartość A + B będą się równały wartości C.

- Wymiar A – zmierz odległość od osi zamka (czyli od środka śruby mocującej) do krawędzi drzwi i dodaj wymiar grubości stosowanego szyldu.
- Wymiar B – zmierz odległość od osi zamka do krawędzi drzwi i dodaj grubość stosowanego szyldu.
- Wymiar C, czyli całkowitą długość wkładki zmierz od tarczy zamka po wewnętrznej stronie mieszkania do tarczy po zewnętrznej stronie.
A + B = C ? Jeśli nie, zmierz jeszcze raz!
Pomiary są bardzo ważne, pozwolą na dobranie wkładki o odpowiednich parametrach.
Łatwo zauważyć, że wkładki mogą być symetryczne lub asymetryczne.
- Wkładka symetryczna to taka, której wymiary A i B mają taką samą wartość np. 30/30mm, 45/45mm, 50/50mm.
- Wkładka asymetryczna ma różne wartości wymiarów A i B np. 30/45mm, 45/50mm, 55/65mm.
O czym warto wiedzieć przy ustalaniu rozmiaru wkładki?
- Jeśli wkładka ma mieć gałkę – robiąc pomiary zaznacz, po której stronie ma być zamontowana (np. G30/40 – czyli gałka po stronie 30 mm).
- Wkładka zamka od strony zewnętrznej nie powinna wystawać poza szyld więcej niż 2-3mm. Zbyt długa, wystająca część wkładki od zewnętrznej strony drzwi byłaby podatna na włamanie metodą polegająca na chwytaniu i przełamywaniu wkładki wewnątrz zamka.
Opinie
Jeśli dodałeś/-aś recenzję, a nie pojawiłą się na liście, być może oczekuje na moderację.
Wystaw opinię o produkcie
Wyświetlane są wszystkie opinie (pozytywne i negatywne). Nie weryfikujemy, czy pochodzą one od klientów, którzy kupili dany produkt.